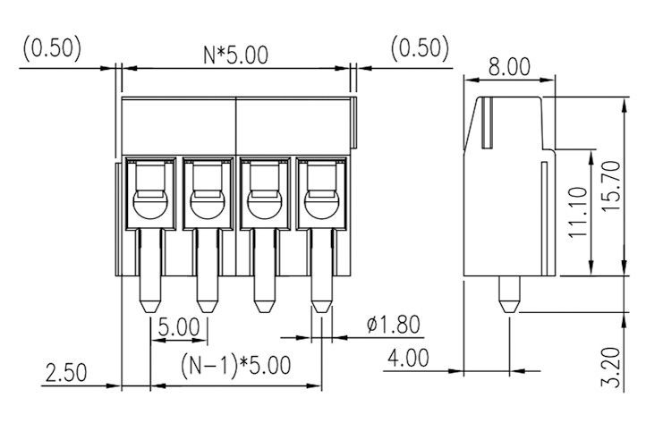
• Pitch:5.0mm,Electrical:UL,Rated Voltage:300V,Rated Current:10A,colour:green ;
• combined with single-layer, double-layer and three-layer designs, to diversify the selectivity of applications ;
• The products are designed according to IEC60998 and UL1059 international standard and also certified by UL and TUV。
中文




