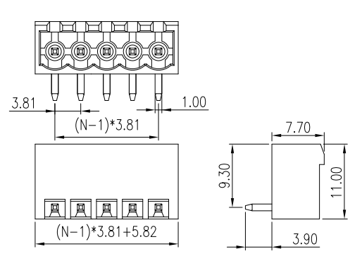
• 间距:3.81mm,电气性能:UL,额定电压:300V,额定电流:15A,颜色:绿色 ;
• 为了应用不同场合的使用需要,提供水平插头、垂直插头、与同方向进线插头等选择 ;
• 产品设计符合IEC60998、UL1059等国际标准并通过UL、TUV等认证。
+86-0512-5011 1150
+86-0512-5011 1150
info@ainewell.com
www.ainewell.com
江苏省昆山市开发区淀山湖新乐路75号
• 间距:3.81mm,电气性能:UL,额定电压:300V,额定电流:15A,颜色:绿色 ;
• 为了应用不同场合的使用需要,提供水平插头、垂直插头、与同方向进线插头等选择 ;
• 产品设计符合IEC60998、UL1059等国际标准并通过UL、TUV等认证。
→ 间距:3.81mm
→ 电气性能:UL
→ 额定电压:300V
→ 额定电流:15A
→ 线径范围(AWG/mm²):-
→ 工作温度范围:-40℃~+105℃
→ 工频耐电压: AC1600V/1min
→ 剥线长度:-
| 产品图纸 | |
|---|---|
![]() |
| 材质与镀层 | |
|---|---|
| 塑件 | PA66 UL94V-0 |
| 导电体 | 铜合金,镀锡 |
| 紧固件、螺钉/弹片 | - |
| 紧固件、方块/螺母 | - |
| 电气特性 | UL | IEC |
|---|---|---|
| 定额电压 | 300V | 320V |
| 额定电流 | 15A | 16A |
| 工频耐电压 | AC1600V/1min | |
| 冲击耐电压 | 4KV | |
| 连接特性 | |
|---|---|
| 线径范围(AWG/mm²) | - |
| 剥线长度 | - |
| 扭矩 | - |
| 工作温度范围 | -40℃~+105℃ |

| 订货号 | |
| 包装单位 | |
| 最小订货量 | |
| 产品重量(不含包装) |
+86-0512-5011 1150
+86-0512-5011 1150
info@ainewell.com
www.ainewell.com
江苏省昆山市开发区淀山湖新乐路75号